电接点压力表

- AK-SX7083流量积算仪
- ◆ 本仪表适合于蒸汽和一般气体的测量,可用于内部计量和贸易计量。 ◆ 本仪表符合新版流量积算仪检定规程《JJG1003-2016》 ◆ 本安装使用手册是以具备一定的流量计经验知识为对象编写的,使

- 数显压力表
- AK-SXYLB数字压力表为全电子结构。前端采用高精度压阻式压力传感器,输出信号由高精度,低温漂的放大器放大处理,送入高精度的A/D转换器,转换成微处理器可以处理的数字信号,经过运算处理,

- 乙酸乙酯液位计
- 乙酸乙酯液位计是公司引进吸收国外同类产品,并加以提高的产品。系列产品可以做到高密封、防泄漏和在高温、高压、高粘度、强腐蚀性条件下可靠地测量液位,全过程测量无盲区
电接点压力表
|
|
|||||||||||||||||||||||||||||||||||||||||||||||||||||||||||||||||||||||||
|
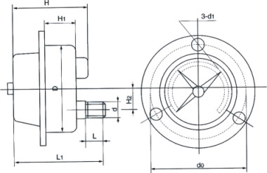
电接点压力表适用于测量对铜合金无腐蚀、无爆炸危险、非结晶的各种液体、气体等介质压力。仪表经与相应的电气器件配套使用,可达到对被测压力系统实现预先设定的zui大或zui小压力值的双位自动控制和发信(报警)的目的。 |
|||||||||||||||||||||||||||||||||||||||||||||||||||||||||||||||||||||||||
|
|
|||||||||||||||||||||||||||||||||||||||||||||||||||||||||||||||||||||||||
|
仪表由测量系统、指示装置、磁助电接点装置、外壳、调节装置及接线盒等组成。 |
|||||||||||||||||||||||||||||||||||||||||||||||||||||||||||||||||||||||||
|
|||||||||||||||||||||||||||||||||||||||||||||||||||||||||||||||||||||||||
|
|
|||||||||||||||||||||||||||||||||||||||||||||||||||||||||||||||||||||||||
|
|
|||||||||||||||||||||||||||||||||||||||||||||||||||||||||||||||||||||||||
|
|
|||||||||||||||||||||||||||||||||||||||||||||||||||||||||||||||||||||||||
|
YX-100 YXC-150 ZX-100ZT YXC150 |
|||||||||||||||||||||||||||||||||||||||||||||||||||||||||||||||||||||||||
|
|
|||||||||||||||||||||||||||||||||||||||||||||||||||||||||||||||||||||||||
|
|
图中:JZ1、JZ2—继电器及触点 |
||||||||||||||||||||||||||||||||||||||||||||||||||||||||||||||||||||||||
|
|
|||||||||||||||||||||||||||||||||||||||||||||||||||||||||||||||||||||||||
|
|
|||||||||||||||||||||||||||||||||||||||||||||||||||||||||||||||||||||||||
|
|
|||||||||||||||||||||||||||||||||||||||||||||||||||||||||||||||||||||||||
|
|
|||||||||||||||||||||||||||||||||||||||||||||||||||||||||||||||||||||||||
|
|||||||||||||||||||||||||||||||||||||||||||||||||||||||||||||||||||||||||
<
相关资讯
联系奥科
固话:0517-86919886
传真:0517-86919886
手机:15261725556
地址:江苏金湖县工业园区工一路









